- Home > 製品紹介 > 太陽熱床暖房システム
- 太陽熱床暖房システム

- 太陽熱により一体化された 独立的オンドル暖房システムで 太陽熱による暖房および温水の 使用が可能なシステム
- こうせい



特徴
- - ボイラーとの連動型ではなく、独立型太陽熱オンドル暖房システム
- - ダブルおよび3コイル蓄熱システムによる昼間、夜間オンドル暖房システム
- - 新しい再生エネルギーの中で、最も効率の高いシステム
- - オンドルと太陽熱システムとの一体化によって、効率改善されたシステム
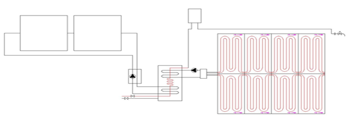
» 太陽熱のオンドル暖房システムの概念図


- バルコニー型太陽熱オンドル暖房器
- 太陽熱オンドル暖房器は、一般住宅での暖房に活用、共同住宅のベランダでの活用が可能 ベランダで作られる太陽熱の集熱能力は約3m²の設置が可能で、1day、6,300kcal程度生産されるため、電気500Wの暖房器を12時間 使用できる熱量 このような熱量は、春・秋の季節の変わり目にボイラーの稼動なしに使用できます。
| 暖房空間 | 2 坪 (6.61㎡) | 3 坪 (9.91㎡) |
|---|---|---|
| 供給熱量(kcal/㎡) | 81.7kcal | |
| 蓄熱機器(透過面積) | 3㎡ | |
| 蓄熱槽の容量 | 100~200ℓ | |
| 1日の生産熱量 | 9,707.91kcal | |
| 使用時間 | 18 hr | 12 hr |
| 6ヶ月の暖房使用量 油に換算(軽油) | (9,707.91kcal / 8,450kcal(軽油の純発熱量)) X 180day= 206.8ℓ | |
| 6ヶ月の温水使用量 油に換算(軽油) | (9,707.91kcal / 8,450kcal(軽油の純発熱量)) X 180day= 206.8ℓ | |

- 部分暖房型の太陽熱オンドル暖房システム
- 一部屋を暖房できるよう、効率的に 太陽熱を活用できるシステム
| 暖房空間 | 2 坪 (6.61㎡) | 3 坪 (9.91㎡) | 4 坪 (13.22㎡) | 5 坪 (16.52㎡) |
|---|---|---|---|---|
| 供給熱量(kcal/㎡) | 81.7kcal | |||
| 蓄熱機器(透過面積) | 2㎡ | 4㎡ | 4㎡ | 6㎡ |
| 蓄熱槽の容量 | 200ℓ | 300ℓ | 300ℓ | 500ℓ |
| 1日の生産熱量 | 6,471.94kcal | 12,943.88kcal | 12,943,88kcal | 19,415.82kcal |
| 使用時間 | 12 hr | 16 hr | 12 hr | 14 hr |
| 6ヶ月の暖房使用量 油に換算(軽油) | 138ℓ | 276ℓ | 276ℓ | 414ℓ |
| 6ヶ月の温水使用量 油に換算(軽油) | 138ℓ | 276ℓ | 276ℓ | 414ℓ |

